功能
光电阴极探测激光端口:提供产生光电子探测脉冲的光路
样品泵浦激光端口:提供使用激光直接激发样本的光路
光学传输系统:为探针和泵浦激光器提供安装在柱上的封闭光路
激光工作台:可容纳各种类型的激光系统
激光对准和诊断工具:允许用户实时精确地对准激光束
激光束稳定系统(可选):可以提高激光对准精度
数据采集自动化软件:自动化 天游ty8线路检测中心 数据采集的时间序列
C0 镜头:可以增强信号强度
规格/选项
各种操作模式的配置和性能
| 频闪 | 单发 | |||
|---|---|---|---|---|
| 模式 | ps频闪 | ns 频闪 | 单次 DTEM | 电影模式 DTEM |
| 阴极 | 实验室6保护环塔盘 | 实验室6(截短的尖端)实验室6护环塔盘 | 塔盘 | 塔盘 |
| 光谱仪 | 推荐 | 客户选择 | 不兼容 | 不兼容 |
| 长凳* | 1,200 x 2,400 毫米光学平台 | 光学平台不是总是必要的 | 光学平台不是总是必要的 | 1,200 x 2,400 毫米光学平台 |
| 探测激光* 脉冲能量脉冲宽度波长 | 100 新泽西州300 fs 或更少257 纳米 | 100μJ5 纳秒或更短266 纳米 | 10毫焦10 纳秒或更短266 纳米 | 10毫焦9 × 20 纳秒266 纳米 |
| 泵浦激光器* 脉冲能量脉冲波长 | 10μJ300 fs 或更少515 纳米 | 10μJ5 纳秒或更短532 纳米 | 1毫焦10 纳秒或更短532 纳米 | 1毫焦10 纳秒或更短532 纳米 |
| 重复率* | 大约。 1MHz | 大约。 1 kHz | SS(10 赫兹) | SS(10 赫兹) |
| 排放 | 100 e-/脉冲或更少 | 10 e-/脉冲或更少 | 大约。 108电子/脉冲 | 大约。 109电子/脉冲 |
| 能量扩散 | 15 eV 或更低 | 15 eV 或更低 | 100 eV 或更低 | 100 eV 或更低 |
| 颞部宽度 | 12 ps 或更少 | 10 纳秒或更短 | 20 纳秒或更短 | 20 纳秒或更短 |
| 空间分辨率 | 1纳米或更小 | 1 纳米或更小 | 大约。 10纳米 | 大约。 10纳米 |
| 延迟范围精度光学抖动 | 线性平台-666 ps 至 +2000 ps± 0017 ps | 延迟发生器-1 μs 至 + 1 ms± 005 纳秒± 5 ns 或更小 | 延迟发生器-无穷大到 + 无穷大± 005 纳秒± 5 ns 或更短 | 数字音序器-100 μs 至 100 μs大约。 ±1纳秒± 5 ns 或更短 |
| 阴极寿命* | 大约。 6个月Ta盘:12个月或更多(作为选项) | 大约。 6个月Ta盘:12个月或更多(作为选项) | 12 个月或更长 | 12 个月或更长 |
典型值
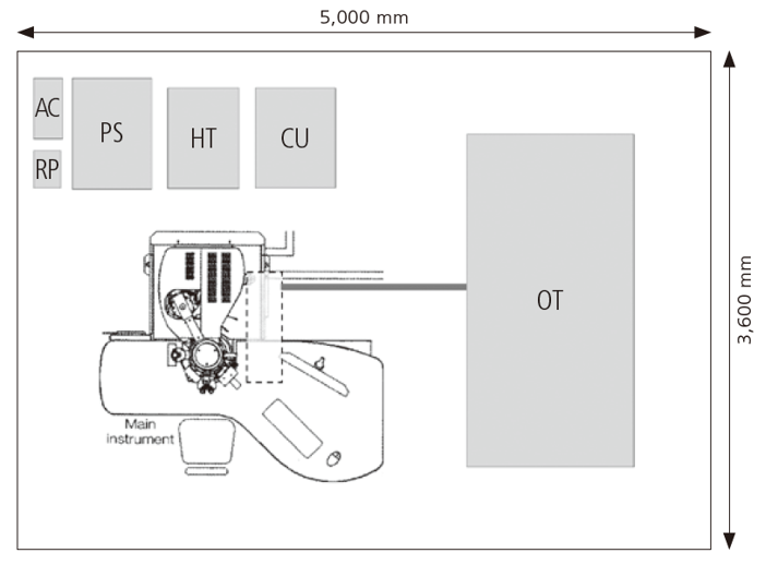
基于 JEM-2100Plus 的 Luminary 的标准房间布局
对于 ns 频闪和单次 DTEM,光学平台 (OT) 并不总是必需的,具体取决于激光器配置。
空调:空气压缩机
CU:卡单元
HT:高压罐
OT:光学平台
PS:电源
RP:油旋转泵
相关产品
具有 EDM 同步功能的可编程 STEM控制每个像素的剂量。
静电剂量调制器 (EDM) 是一种快速光束消隐系统,带有预采样静电偏转器,包括电子设备和软件控制。 EDM 还可以减弱电子照明而不影响成像条件,使 天游ty8线路检测中心 和 STEM 用户能够更好地控制样品的剂量。可选同步升级将 EDM 的定时和同步功能提升到一个新的水平。 Synchrony 可以与 STEM 控制器协调,在扫描样品时跟踪探测光束的位置。 EDM 快如闪电的静电消隐可在每个像素处将光束打开指定时间,或保持光束消隐以完全排除剂量敏感区域。
