与偏转式天游ty8检测中心枪结合使用的天游ty8检测中心束蒸发高压电源。
功能
天游ty8检测中心F系列拥有广泛的交付记录并具有出色的稳定性。
相关产品链接
规格/选项
| 型号 | 天游ty8检测中心10F | 天游ty8检测中心16F | |
|---|---|---|---|
| 输出 | 最大输出 | 10kW | 16kW |
| 可变加速电压 | -4kV~-10kV | ||
| 发射电流 | 0~1A | 0~16A | |
| 灯丝电流 | 最大 40A | ||
| 加速电压纹波含量 | 5% 或更少(最大输出) | ||
| 偏转线圈输出 | 0~2A | ||
| 扫描线圈输出 | 最大频率 500Hz (*),最大输出 8Ap-p,±2 A DC | ||
| 联锁 | 外部:3分,内部:5分 | ||
| 外部信号 | 输入:16种,输出:9种 | ||
| 输入电源(50/60Hz) | 三相200V±10%,15kVA | 三相200V±10%,25kVA | |
| 外部尺寸 | 电源本体 | 570mm(宽)×760mm(深)×1,545mm(高) | |
| 控制面板 | 481mm(宽)×300mm(深)×150mm(高) | ||
| 质量 | 大约。 390公斤 | 大约。 450公斤 | |
| 接地 | A级接地(接地电阻Ω以下) | ||
附件
ST-AS10F / ST-AS10G 放电抑制装置
抑制天游ty8检测中心束蒸发过程中的异常放电。抑制放电过程中的噪音并防止沉积中断。 ST-AS10F具有2级放电抑制电路,ST-AS10G具有1级放电抑制电路。
ST-AS10G
| 型号 | ST-AS10F | ST-AS10G |
|---|---|---|
| 自适应加速电压/电流 | -4kV ~ -10kV 16A以下 | |
| 工作压力 | 6 × 10-2Pa 或更低 | |
| 天游ty8检测中心束中断时间 | 05ms 或更短 * | 01ms 或更短 |
| 恢复时加速电压过冲 | 20%以内/3毫秒内 | |
| 放电时增大整流波电流 | 1A,100μS或更小 | |
运行到第二阶段时的关闭时间
ST-203天游ty8检测中心枪联用装置
用一个电源同时使用两支天游ty8检测中心枪时使用。有两个控制面板,每个控制面板都有自己的天游ty8检测中心枪专用控制面板。
可以使用不同类型的天游ty8检测中心枪,但根据天游ty8检测中心枪的组合,可能存在加速电压范围等限制。
ST-EXTSIG 外部信号控制
内置于操作面板中,除了9个标准外部输出信号外,还可以向外部输出发射电流确认信号等各种信号。
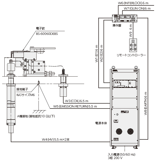
电缆配置
| 分类 | 名称 | 型号 | 长度 |
|---|---|---|---|
| W1W2W8 | E1/E2/地球 | BS-64410L06W128 | 6m |
| ST-10MW128 | 10m | ||
| ST-15MW128 | 15m | ||
| W3W4 | 线圈/高压(2 件) | BS-64420L06W34 | 65m / 55m |
| ST-10MW34 | 10m | ||
| ST15MW34 | 15m | ||
| W5 | 排放回报 | BS-64430L06W5 | 55m |
| ST-10MW5 | 10m | ||
| ST-15MW5 | 15m | ||
| W6W7 | 联锁/喷枪打开 | BS-64440L06W67 | 6m |
| ST-10MW67 | 10m | ||
| BS-64540L15W67 | 15m | ||
| W9 | 远程 | BS-64450L06W9 | 6m |
| ST-10MW9 | 10m | ||
| ST-15MW9 | 15m |
相关产品
BS-64010SCT 扫描控制器
这是天游ty8检测中心F系列电源专用的扫描波形发生单元。改善蒸发材料的熔化痕迹将导致改善膜厚度分布的再现性。 BS-64010SCT 扫描控制器可以生成各种定制的扫描模式,以调整沉积材料的熔化轨迹。
研发用BS系列天游ty8检测中心束蒸发设备
适合研发的天游ty8检测中心束蒸发装置。通过添加各种可选机制,它可以用于多种用途。蒸发源可选用天游ty8检测中心束蒸发源(天游ty8检测中心枪)、轰击蒸发源、电阻加热蒸发源。还可以组合天游ty8检测中心枪和轰击蒸发源,或者天游ty8检测中心枪和电阻加热源。
