天游线路检测中心 全固态电池
液基锂离子电池充放电示意图
全固态电池是使用锂离子充电和放电的电池,类似于液体锂离子电池。
全固态电池配置
全固态电池的结构如右图所示。全固态电池中的电解质使用传导离子的固体电解质,而不是位于正负极和传导离子的电解质之间的由聚合物材料制成的隔膜。与液体LIB一样,正极使用含有锂和导电添加剂的复合氧化物,也可以通过捏合固体电解质来制成。除了主要用于液体锂离子电池的碳之外,最近用于负极的硅材料也引起了人们的关注。全固态电池也是液态锂离子电池(LIB)
正极
正极材料锂离子二次电池正极活性物质
铝箔(左)和涂覆后的正极(右)
典型锂离子电池的正极由集流体、正极活性材料、导电剂和粘合剂组成。
正极材料粉末(左)正极材料NMC811 SEM图像(右)
含锂过渡金属氧化物用作正极活性材料。正极活性物质为NMC(1/3锰1/3公司1/3)O2,4)
正极材料的晶体结构NMC/NCA层状岩盐结构(左)LFP 橄榄石结构(右)参考:JApplCryst。(2011).44,1272-1276
每种正极活性材料都具有通过将锂量转换为电荷计算的理论容量,但由于尚未达到最大容量,因此正在开发能够表现出更高容量的正极材料。各种过渡金属替代品和含不同量锂的材料的研究和开发正在取得进展。在研发评估中,我们研究了与锂嵌入/脱出反应相关的晶体结构的稳定性、表面涂层的厚度和化学成分。
| 正极材料 | 平均电压[V] | 理论容量[mAh/g] | 有效容量[mAh/g] | 循环特性 | 功能 |
|---|---|---|---|---|---|
| 钴酸锂2 | 3.7 | 274 | 148 | 500~1,000 | 原材料价格昂贵,热稳定性较低 |
| NMC | 3.6 | 280 | 160 | 1,000~2,000 | 潜在的逐渐变化 |
| NCA | 3.6 | 279 | 199 | 500~1,000 | 能量密度高/相对耐低温 |
| 磷酸铁锂4 | 3.2 | 170 | 165 | 1,000~2,000 | 原材料便宜,电位变化平坦,安全性比较高 |
正极集电箔
铝箔是正极集电体的最佳材料,可容纳正极活性物质并将电子转移至正极活性物质以使电流流动。
正极材料分析示例正极活性物质的结构评价
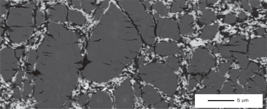
正极颗粒的截面SEM图像
正极活性物质由球状二次粒子构成。一次粒径范围从几十纳米到几百纳米
下图是使用SEM-EDS-拉曼耦合系统在SEM内使用拉曼光谱分析正极活性材料的结构随充电速率变化的示例。
提供的示例:丰桥工业大学电气电子信息工程系松田敦典教授
下图显示了使用TEM的正极材料颗粒表面附近的电子衍射图。从极端表面和内部得到不同的电子衍射图案,表明结构不同。
从颗粒的最外层和内部获取NBD图案
下图显示了使用进动电子衍射(PED)分析正极活性材料中颗粒的晶体取向和晶体结构的结果。
正极活性物质粒子的晶体取向图基于晶粒晶体取向的颜色编码。
正极活性物质粒子的相图颗粒表面和内部结构之间的颜色编码差异红色:层状岩盐结构,绿色:
下图是利用原子分辨率HAADF-STEM观察法观察充放电前后的正极活性物质粒子表面的例子。
充电和放电之前
充电和放电后
NMC结构图参考:JApplCryst。(2011).44,1272-1276
用于正极活性物质的结构分析7Li固态NMR也是一种有效的方法。固态核磁共振可以观察整个样品晶体结构中的锂。正极活性物质的锂谱特征是过渡金属(TM)-7可以获得Li谱(图2)。下图2显示了锂过量的层状正极活性材料Li1.2镍0.2锰0.6O27李TM)。
图 1:7Li固态NMR谱的MAS频率依赖性
图2:充放电时在正极活性物质的结构中反映锂7Li MATPASS 光谱参考:科学报告 (2020) 10: 10048
负极
负极材料锂离子二次电池用负极活性物质
典型锂离子电池的负极由集流体、负极活性材料、导电剂和粘合剂组成。
将各种材料与溶剂混合制成的浆料
铜箔涂布浆料的负极集电体
石墨负极截面SEM图像
嵌入锂离子的石墨示意图
石墨碳通常用作负极活性材料。石墨负极通过从正极移动进入层状结构之间(插层)的锂来充电。另一方面,在负极活性材料的研发中,硅负极(4,200
负极集电箔
与正极集流体一样,用于负极的铜箔具有耐电解液性和耐氧化性,并且用作耐腐蚀的材料。
负极材料分析示例硅负极材料的结构评价
硅也是全固态电池负极活性材料的候选材料。然而,负极劣化评价是利用内阻测定、截面形态观察、各种分析等电特性进行的。
充放电后出现裂纹的硅负极截面SEM图
充电后硅负极的硅颗粒(SEM图像和EDS元素图)
提供的示例:丰桥工业大学电气电子信息工程系松田敦典教授
充电和放电过程中的观察结果为分析该机制提供了重要信息。然而,准备和观察每个充电速率下的横截面需要花费大量的精力。
负极材料分析示例硅负极原位充放电观察与分析
下面所示的工作流程使用允许在充电和放电时进行 SEM 观察的系统(图)。该系统可以减少在每个充电速率下准备横截面所需的时间。此外,
下图显示了使用CP对全固态电池进行截面加工以及使用SEM进行原位观察的流程和观察示例。使用专用 CP 支架和 SEM 兼容支架底座可以进行原位充电/放电观察。
专门开发的约束型充放电CP支架具有可在非暴露环境下从CP转移到SEM的盖子。下图是在 SEM 内进行原位观察期间进行的 EDS 分析的示例。负极中使用的硅和移动的锂的特征X射线彼此接近,但Gather-X具有波形分离功能,可以分离Li-K和Si-L的峰。
通过 Gather-X 波形分离来分离Li K 线(绿色)和 Si L 线(蓝色)
充放电过程中的SEM观察和EDS分析使用播放功能通过叠加图像可视化锂行为
提供的示例:丰桥工业大学电气电子信息工程系松田敦典教授
野上技研横截面观察标本冲孔夹具
另一方面,全固态电池的固体电解质是横截面加工时,使用该冲孔机将样品冲切成5毫米见方的形状,将其固定在专为充放电设计的约束充放电CP支架中,并切割成5毫米见方的样品。
您可以观看原位充放电观察分析系统的介绍影片。点击上方框中的播放按钮即可开始播放影片。 (3分33秒)
负极材料分析相关应用
固体电解质
固体电解质全固态电池用固体电解质
固体电解质既具有在正极和负极之间携带锂离子的电解质的功能(液体LIB的功能),又具有防止短路的隔膜的功能。
当前固体电解质的研发中,研究的主流是氧化物基和硫化物基两类材料的开发。
氧化物基固体电解质:LLTO参考:JApplCryst。(2011).44,1272-1276
硫化物固体电解质:Li3PS4参考:JApplCryst。(2011).44,1272-1276
固体电解质分析示例离子电导率和扩散系数
固体电解质和电解质有固体和液体的区别,但离子电导率也不同。电解质中的离子不结合在溶液中并且可以自由移动,但是固体电解质中的离子与周围的离子结合并且不能移动,除非使用热能破坏该键。-14m2/s 量级的扩散系数。
扩散图(左图)的温度依赖性和离子扩散运动的活化能(扩散系数D的阿伦尼乌斯图)(右图)
您可以观看一部介绍使用 NMR 进行固体电解质分析的电影。点击上方框中的播放按钮即可开始播放影片。 (4分39秒)
固体电解质分析示例通过 TG-MS 分析逸出气体
全固态电池中使用的硫化物基固体电解质在少量水分存在下会水解并产生硫化氢。生成气体分析测量通过加热固体电解质中残留的成分而生成的气体种类。常见的测量方法包括热重分析法 (TG) 和质谱分析法 (MS)。MS 数据分析可以绘制在两轴平面上,其中水平轴代表质量和时间,垂直轴代表强度,从而可以分析随时间推移产生的气体成分(图 1)。
图1:MS数据(左图)和TG数据(右图)
图 2:每个质量的温度强度(左图)以及与 TG 结合的数据(右图)
提供的示例:丰桥工业大学电气电子信息工程系松田敦典教授
与固体电解质分析相关的应用
锂离子电池 (LIB) 分析项目与我们的设备兼容
以下是根据分析和评估目的适用设备的指南。详细应用请参阅各设备的目录和技术文件,或联系我们的办公室。
电池分析中未暴露传输的重要性
点击下面的按钮返回电池首页。

