金属气相沉积专用电子枪。坩埚和背散射电子陷阱是标准设备。可以进行高速金属沉积和厚膜沉积。坩埚后面的背散射电子陷阱捕获导致基板温度升高的背散射电子。即使在厚膜沉积和高速沉积过程中,也可以保持较低的基板温度。适用于剥离沉积和其他想要抑制温升的沉积。坩埚有两种类型:4点型和6点型。容量大,坩埚侧面水冷,防止相邻坩埚之间交叉污染。可以实现稳定的气相沉积。
功能
背散射电子阱标准设备
采用高效背散射电子陷阱来捕获通常会扩散到腔室中的背散射电子。
此外,电子枪周围的冷却也得到了加强。通过抑制来自蒸镀源周围的反射电子和辐射热的热影响,能够在抑制基板的温度上升的同时进行高速蒸镀。
此外,可以抑制由于反射电子照射而对基板/基材和底层造成的损坏。
使用传统电子枪时,背散射电子的热效应和蒸发源周围的热辐射会导致成膜过程中温度升高。
当背散射电子撞击未冷却区域的腔室地板或墙壁时,它们被加热,从而产生二次和三次辐射热。
如果背散射电子直接入射到基板上,基板的温升会特别大。
背散射电子陷阱的影响
我们在基板圆顶附近安装了热电偶,并测量了沉积 4 微米的 Al 时的温升。
A点位于坩埚正上方。这是受坩埚热辐射影响最大的位置。
B点是横向(电子枪Y方向)坩埚正上方的位置。
C点是坩埚正上方的后向(电子枪的X方向)位置。这是反射电子撞击的位置。
图中红线是传统电子枪(203电子枪)的温升。
背散射电子撞击的C点温度显着升高。
图中的蓝线是 ty8天游官网登录210DEM 电子枪的结果。
由于设置了背散射电子陷阱,因此捕获了背散射电子,抑制了C点的温度上升。
当沉积 4 微米的 Al 且基板温度低于 60°C 时,剥离沉积不会使抗蚀剂变形或硬化,从而实现稳定的剥离沉积。
参考背散射电子
厚膜沉积
与大容量40mL可选坩埚(4点或6点型)组合,可以沉积厚膜并形成多种沉积材料的层压膜。
高速率沉积
适用于需要比 ty8天游官网登录211DEM / ty8天游官网登录210DEM 更高速率的应用ty8天游官网登录250DEM电子枪或ty8天游官网登录610BDS 轰击沉积源
升空过程
升空工艺流程
将真空蒸镀时的基板温度抑制到抗蚀剂膜的耐热温度约100℃以下,防止作为基底层的抗蚀剂膜图案的形状变形,提高剥离成品率。
应用实例) LED、SAW滤波器、功率器件、MEMS等的电极膜/布线形成
规格/选项
ty8天游官网登录210DEM / ty8天游官网登录211DEM
| 格式※1 | ty8天游官网登录210DEM / ty8天游官网登录211DEM |
|---|---|
| 最大输出※2 | 10 kW(10 kV,1 A) |
| 操作加速电压 | -4 kV 至 -10 kV |
| 支持可变加速电压 | 否 |
| 光束偏转角度 | 270° |
| 光束偏转磁铁 | 永磁体 |
| 光束扫描宽度 | Φ50 mm(距坩埚中心) |
| 光束位置移动 | Φ50 mm(距坩埚中心) |
| 工作压力 | 5 × 10-5帕 ~ 7 × 10-2帕 |
| 冷却水流量 | 5~8L/分钟(水温10~25℃、压差02~035MPa) |
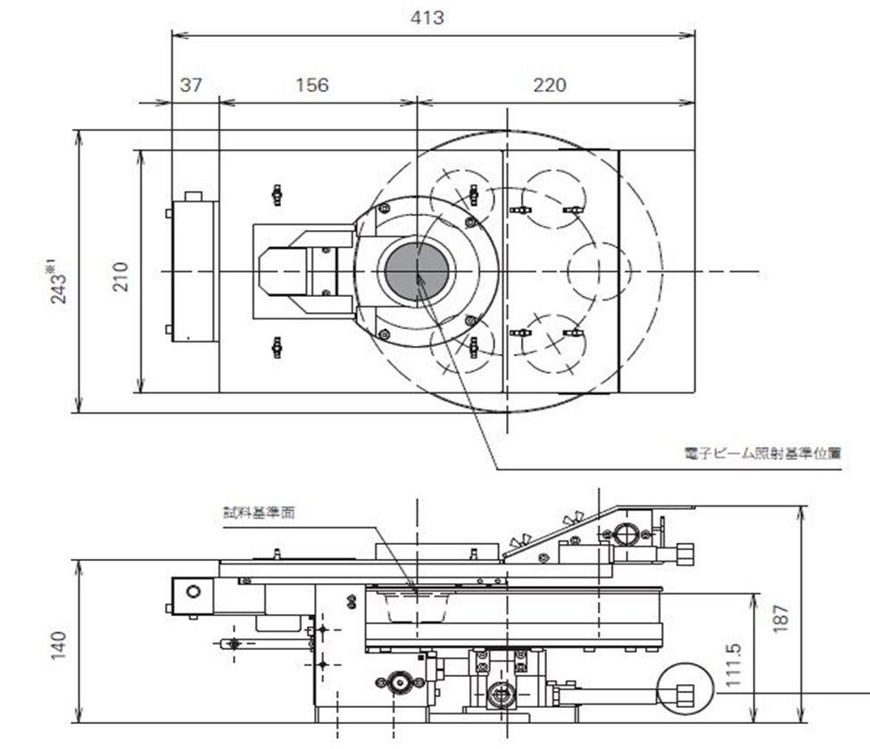
| 外部尺寸(毫米) | 243※3(宽) × 413 (深) × 187 (高) |
| 质量 | 大约。 18公斤 |
型号因出水口而异。
最大输出受电源最大输出限制。
坩埚ty8天游官网登录140H4M / ty8天游官网登录141H4Mty8天游官网登录150H6M / ty8天游官网登录151H6M
| 格式※1 | ty8天游官网登录140H4M | ty8天游官网登录150H6M |
|---|---|---|
| ty8天游官网登录141H4M | ty8天游官网登录151H6M | |
| 坩埚点 | 4 点 | 6 分 |
| 坩埚形状 | Φ50毫米×<H25毫米 | |
| 坩埚容量 | 40毫升 | |
| 冷却水 | 7〜12L/分钟(水温10~25℃、压差02~035MPa) | |
| 质量 | 大约。 16公斤 | 大约。 19公斤 |
型号因出水口而异。
外部尺寸
4 点坩埚/执行器的尺寸为 220 毫米。
水口形状
ty8天游官网登录210DEM / ty8天游官网登录140H4M / ty8天游官网登录150H6M
ty8天游官网登录211DEM / ty8天游官网登录141H4M / ty8天游官网登录151H6M
适用灯丝
部件号 780407369
5件/盒
60210 / 60211 Φ 08 线性线圈
适用灯丝组件
部件号 783106645
对于 60210 / 60211
不包括灯丝
目录下载
ty8天游官网登录211DEM / ty8天游官网登录210DEM 电子枪
