天游线路检测中心 Delta 提示:显示扩散系数列表并将其保存到文本文件
NMDT_0017
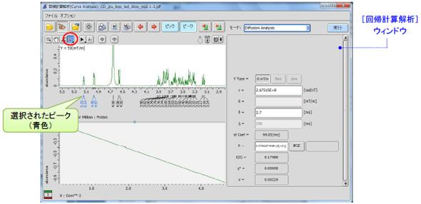
此示例使用已通过回归分析 [(曲线分析)] 窗口计算出的扩散系数测量数据。
① 单击[选择]并选择要显示其扩散系数值的峰。
* 您可以按顺序检查所选峰的计算结果。
② 点击[创建报告],打开[报告选项]窗口。

③ 在【报告选项窗口】中勾选需要输出的项目,选择【所有结果】。
④ [作成]をkurikkuして[reポートオプション]ウィンドウを闭じる。⇒ 将为所有选定的峰创建报告。

⑤ 单击[查看报告],打开[文件信息查看器]窗口。

⑥ When you open the [Report] tab of the file information viewer and select a report, all diffusion coefficient calculation results will be displayed in the report display field

⑦ 保存扩散系数报告。* [保存报告]⇒ 以文本格式保存。* 从[文件]菜单中选择[另存为]⇒以文本格式或CSV格式保存。

- 点击此处查看此页面的可打印 PDF。点击打开新窗口。
PDF 597KB
