天游ty8线路检测中心平碳纤维大多用途支架
前所未有的新想法!SEM 样品架非常适合观察薄膜和超细颗粒
产品介绍
天游ty8线路检测中心平碳 BIG(L)
零件号 783160569
天游ty8线路检测中心平碳 BIG(S)
零件号 783160577
天游ty8线路检测中心碳BIG专用支架
零件号 783163908*天游ty8线路检测中心平碳和专用安装支架单独出售
天游ty8线路检测中心平碳 BIG (L) 零件号 783160569 1 件或天游ty8线路检测中心平碳 BIG (S) 零件号 783160577 可安装 2 件
天游ty8线路检测中心平碳纤维大多用途支架
零件号 783168128*天游ty8线路检测中心平碳纤维和多个专用支架单独出售
天游ty8线路检测中心碳 BIG (L) 零件号 783160569,天游ty8线路检测中心平碳 BIG (S) 零件号 783160577 各可安装 2 个或最大可安装天游ty8线路检测中心平碳 BIG (S) 零件号 783160577 6 件
天游ty8线路检测中心平碳短截线的特点*
* 省略名称:UFC
超光滑样品台
溶剂分散法是分散细颗粒的有效方法,但典型样品台表面的不均匀性阻碍了颗粒的发展。特别是为了分散纳米级粒子,需要高平滑度。 UFC 非常光滑,可以实现均匀的样品分散。
非常适合观察有机物等低对比度颗粒
UFC 由纯碳制成,因此可以减少样品台产生的信号,并允许您在不干扰对比度的情况下观察样品。
消除了使用传统金属网格制备样品所引起的问题
使用UFC,对于生物样品等低倍到高倍连续观察的样品,观察区域不受限制,可以观察样品的整个表面。
由高密度碳制成,非常适合分析
UFC 由于其高密度碳而具有导电性。与传统使用的硅片和玻璃板不同,它不会干扰观察和分析。
溶剂分散法的步骤

溶剂分散法观察实例(SEM图像设备:JSM-7800F 放大倍数:×10,000)
细颗粒分散在镜面抛光的石墨碳聚集体上并且分散不均匀。
另一方面,分散在超光滑UFC上的细颗粒分散均匀,适合初级颗粒观察。
[样品:银纳米颗粒/样品提供:山形大学理学院材料与生命化学系栗原正人教授]
分散在石墨碳上的银颗粒
分散在 UFC 样品台上的银颗粒
低加速度和高倍率观察的理想选择(SEM图像设备:JSM-IT800<SHL>入射电压:2kv)
即使在低加速电压条件下,背景对比度也得到抑制,清晰地反映了样品对比度。

样品:金纳米颗粒

超薄切片法的步骤
大尺寸可以轻松安装超薄切片,还可以安装串行切片,非常适合阵列断层扫描。

连续切片的 SEM 图像

网格会导致视野出现渐晕,但使用 UFC 时不会出现渐晕,并且可以从低倍率到高倍率进行观察。
您可以在任意位置观察该部分。
网格

UFC

样品:小鼠小肠
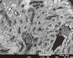
使用超薄切片法的观察示例(SEM图像设备:JSM-7800F样品:小鼠肾细胞)
金属网格
顶部:薄膜样品的张力和偏转
底部:网格引起的视野渐晕
金属(Cu150目)网格超薄切片(70度斜观察)
金属(Cu150 网)网格上的超薄切片(背散射电子图像)
UFC
上图:薄膜样品紧紧地粘在样品台上
底部:从低倍率到高倍率均可观察
使用UFC样品台的超薄切片图像(70度倾斜观察)
使用 UFC 样品安装的超薄切片图像(背散射电子图像)
非常适合 EDS 分析
这是二氧化硅颗粒分析的示例。如果基材是硅片,则无法获得清晰的 Si-K EDS 图。
UFC 允许您获得清晰的 Si-K EDS 图。


这是草履虫超薄切片的 EDS 分析示例。
使用 EDS 图捕获草履虫食物液泡中的纳米颗粒(金、银、二氧化硅)的分布。
*EDS 检测器:Xflash5060FlatQUAD(由 Bruker Nano GmbH 制造)
产品阵容
| 零件号 | 产品名称 | 规格 | 数量 |
|---|---|---|---|
| 天游ty8线路检测中心平碳 BIG(L) | 20 × 20 × 1 | 1 件 | |
| 天游ty8线路检测中心平碳 BIG(S) | 20 × 10 × 1 | 1 件 | |
| 天游ty8线路检测中心平碳大支架 | φ32×10虎钳式固定 | 1 件 | |
| 天游ty8线路检测中心平碳纤维大多用途支架 | φ51×10虎钳式固定 | 1 件 |
目录下载
订单地址・
联系信息
业务管理中心配件销售管理部东京都昭岛市武藏野 3-1-2 196-8558
周一至周五 9:00 至 17:00(不包括周六、周日和节假日)
联系信息
服务策划推进总部申请推进部
