此产品不再可用。
如果您想了解更多有关您所需产品的最新天游ty8检测中心或替代产品的天游ty8检测中心,请参阅下面的链接。感谢您对我们产品的持续惠顾。
这是一种台式送粉器,可以稳定地供给从亚微米到100μm的细颗粒。通过管道输送细粉和载气。现在可以输送1至几微米的高凝聚力细颗粒,这在以前是很困难的。
功能
进料速率在1至50g/min范围内。 (可供给的速率范围根据原料粉末而不同)
根据原料选择供给板和吸气口单元。
已开发用于纳米粒子合成/成膜的高频感应热等离子体设备,要求连续供给、输入速率稳定、粒子分散性细、无污染。
由于它可以稳定地输送10μm以下的细粉,因此可用于热喷涂和气溶胶沉积等其他应用。
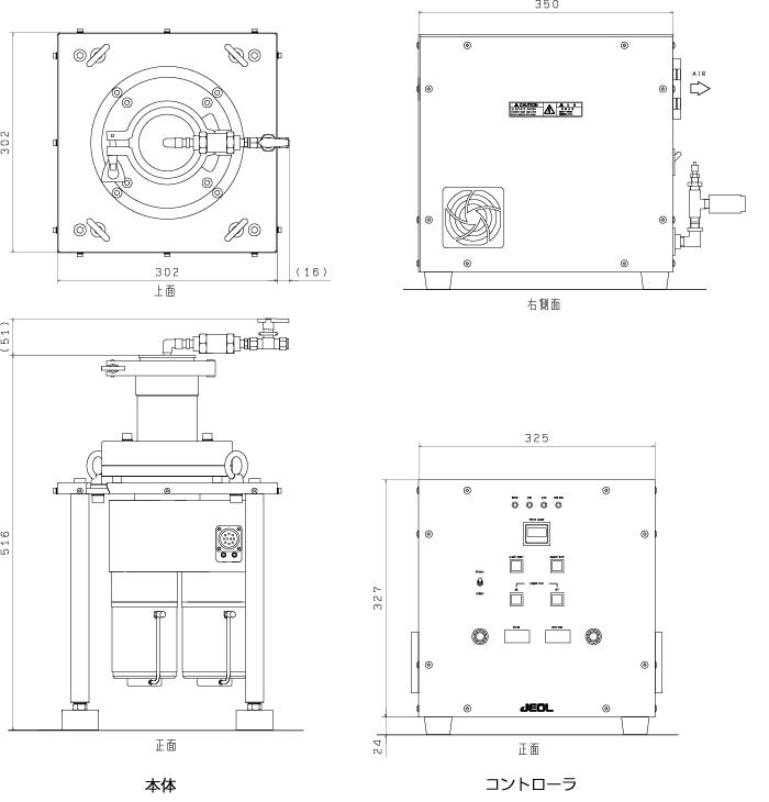
设备概览
供粉示例
粉末:氧化铝3μm
管道:Φ1mm
载气:氩气
粉末:氧化铝细粉约5μm
管道:Φ3mm
载气:Ar 10L/min
应用示例
热喷涂/气溶胶沉积 (AD)/增材制造
可选设备
补给板*
吸入口单元*
IL 料斗/7L 料斗
粉末供给速率控制器
无冲击装置(振动机构)
天游ty8检测中心-99010FDR 主机不包含供给板和吸入口单元,因此您需要从多种类型中选择一种。
规格/选项
| 项目 | 规格 | 注释 |
|---|---|---|
| 粉末粒径 | 大约。 01-100μm | 这取决于粉末类型/形状/条件。 |
| 粉末进料速率 | 约1至50克/分钟的范围内 | 这取决于粉末类型/形状/条件。根据供给量范围,需要更换供给板或吸入口单元。 |
| 载气类型 | 氩气、氮气、空气 | 不能使用氢气等易燃气体。 |
| 载气流量 | 2~20L/分钟 | 根据喷嘴和供给管道的直径以及原料粉末而变化。使用质量流量控制器时气体压力常数03MPa。 |
| 载气压力 | 最大06MPa | 压力低于1MPa可定制 |
| 料斗容量 | 大约。 400毫升 | 粉末填充指南:约。 200毫升可选配1L料斗或7L料斗 |
| 输入功率 | AC100V,10A | 不包括可选设备。 |
| 质量 | 大约。 45公斤 | 身体约。约 30kg + 控制器15公斤不包括可选设备 |
外部尺寸
