新的标本制备溶液
天游ty8检测中心 提供三种解决方案来协助 TEM 样品制备。从样品制备到 TEM 观察,您可以使用可靠的高通量工作流程。
功能

TEM-LINKAGE
两轴倾斜墨盒※和 TEM 支架※促进 TEM ⇔ FIB 链接。
只需轻轻一按即可将卡盒安装到专用 TEM 天游ty8检测中心架上。
●两轴倾斜卡盘※

●OmniProbe 400※
牛津仪器公司的 OmniProbe 400※采用该技术可实现准确、快速的拾取工作。另外,天游ty8检测中心 的软件是 OmniProbe 400※的操作

示例:5 nm 设计规则半导体器件 (FinFET)
观察条件:(左)加速电压2 kV,探测器SED二次电子图像,(中、右)加速电压200 kV,TEM图像,拍摄JEM-ARM200F
检查并出发
为了可靠地制备 TEM 样品,能够现场检查制备的样品非常重要。天游ty8检测中心 可让您从 TEM 样品制备无缝过渡到 STEM 观察。通过重复薄片加工和STEM观察,可以制备令人满意的样品。

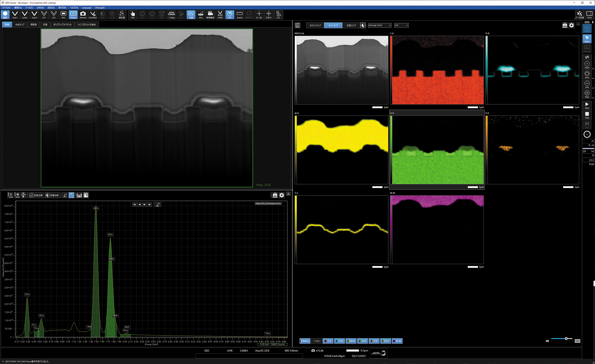
天游ty8检测中心:SiC功率半导体器件观察条件:加速电压30 kV,
探测器(左上)STEM-BF,(右上)STEM-DF,(左下)SED二次电子图像,(右下)EDS图紫色:Al黄色:Ti橙色:P浅蓝色:O绿色:Si
自动准备
自动 TEM 天游ty8检测中心制备系统 STEMPLING2※自动化 TEM 天游ty8检测中心制备。
由于天游ty8检测中心制备是自动进行的,因此不会因操作员技能而导致质量变化。


天游ty8检测中心:镀铜
(上排)自动制备天游ty8检测中心块,(下排)通过自动处理对天游ty8检测中心块进行薄切片
观察条件:加速电压30 kV,探测器SED(SIM图像)
高分辨率和高对比度 SEM 成像不再犹豫,不再错过加工终点,高质量SEM图像
信号检测系统
提供多种检测器,包括标准 SED、UED 和 iBED。
通过根据应用选择最佳检测器,可以有效观察各种天游ty8检测中心。

高分辨率 SEM 成像
通过在SEM镜筒中安装新开发的超圆锥透镜系统,低加速电压下的观察性能得到了极大的提高。
作为确认薄片加工终点的SEM,可以获得对比度良好的清晰图像,从而不会忽视加工终点。

FIB 制备的横截面的 SEM 成像
超紧凑、薄型可伸缩背散射电子探测器RBED※即使载物台倾斜也可使用。不仅可以观察天游ty8检测中心表面,还可以使用二次电子检测器 SED 和上部检测器 UED 等各种检测器来观察需要倾斜观察的 FIB 截面,从而实现最佳的 SEM 观察。

示例:3D NANO 闪存器件的 FIB 横截面观察条件:加速电压2 kV,探测器(左)SED二次电子像,(中)RBED背散射电子像,(右)UED背散射电子像
EDS 集成软件*
EDS分析功能已纳入主机控制软件中。
无需切换软件即可进行样品元素分析。 (EDS,天游线路检测中心株式会社制造)※仅在安装后可用。 )

高功率和高质量 FIB 处理更强大的 FIB 处理,实现最佳天游ty8检测中心制备
大面积、快速 FIB 处理
它使用FIB柱,可以以最大电流100 nA照射Ga离子束。
高电流处理对于制备大面积观察和分析所需的天游ty8检测中心特别有效。

示例:半导体器件观察条件:加速电压3 kV,探测器SED二次电子像200×4×15μm天游ty8检测中心块。 OmniProbe400※取出样本块
通过低电压处理去除损伤层
FIB柱的工作距离比传统型号更短,新开发的电源提高了低加速范围内的性能。
与新的控制系统相结合,可以高精度地进行薄膜生产中重要的低加速度精加工。

新房间和舞台设计高度倾斜的大舞台,自由度高,满足各种要求
装载大样本
采用大型天游ty8检测中心室和新开发的5轴全同心大型电机平台,增加了可移动范围并容纳大型天游ty8检测中心。可以对130mm φ天游ty8检测中心的整个表面进行加工和观察。此外,可以运输最大高度为 80 毫米的标本。
放置在天游ty8检测中心室内的 150 毫米硅片。
AVERT 引擎使用 3D 模型确定移动限制
使用天游ty8检测中心架、载物台和腔室结构的 3D 模型来确定移动限制。
天游ty8检测中心可以在任何情况下使用,而不会干扰检测器或物镜。让您无需一边看着天游ty8检测中心室摄像头一边操作。
为了可靠地制备 TEM 样品,能够现场检查制备的样品非常重要。天游ty8检测中心 可让您从 TEM 样品制备无缝过渡到 STEM 观察。通过重复薄片加工和STEM观察,可以制备令人满意的样品。
* 为可选
规格/选项
扫描电镜
| 图像分辨率 | 07 nm (15 kV)14 nm (1 kV)10 nm(1 kV,BD 模式) |
|---|---|
| 放大倍数 | ×50 ~ ×1,000,000(STD模式)×1,000 ~ ×1,000,000(UHR模式)×10 ~ ×19,000(LDF模式)(显示 128 毫米 × 96 毫米照片尺寸时) |
| 入射电压 | 001 ~30 kV |
| 束流 | 大约 1 pA 到超过 500 nA |
| 偏置电压示例 | 00 ~- 50 kV |
| 电子枪 | 镜头内肖特基 Plus场发射电子枪 |
| 孔径角优化镜头(ACL) | 嵌入式 |
| 物镜 | 超圆锥透镜 |
| 长焦距 (LDF)模式 | 内置 |
| 标准探测器 | 二次电子探测器(SED),上电子探测器(UED),镜头内背散射电子探测器 (iBED) |
FIB
| 图像分辨率 | 3 nm(30 kV 时) |
|---|---|
| 放大倍数 | ×50 〜 ×300,000(受加速电压限制) |
| 加速电压 | 05 ~30 kV |
| 束流 | 10 pA ~100 nA,13 步开关 (30 kV) |
| 可移动光圈 | 16级电机驱动切换(3级空闲) |
| 离子源 | Ga液态金属离子源 |
| 加工形状 | 矩形、圆形、多边形、点、线、位图形状 |
天游ty8检测中心阶段
| 方法 | 全中心测角仪阶段 |
|---|---|
| 控制 | 电脑控制5轴电机驱动3D 干扰检测 AVERT 引擎 |
| 移动范围示例 | X:130毫米 |
| Y:130毫米 | |
| Z: 10 毫米 ~ 40 毫米 | |
| 温度:-400 ~930° | |
| R:3600°无尽 |
目录下载
图库
